产品简介
M2S系列相机是我司开发的USB2.0 接口微型工业相机,秉承度申科技的产品理念:简单易用、稳定可靠。
具有良好的通用性与兼容性,同时还具有极高的性价比。支持Windows XPSP3 以上操作系统,
支持 TWAIN、DirectShow、GENICAM 软件接口。
M2S系列微型相机的帧率和分辨率一览表

产品特点
稳定可靠: 在50Hz:2mm XYZ轴三方向工作状态震动2小时以上,1.5米随机自由跌落10次以上,
通断电循环测试2万次以上,ESD ±6KV测试,严格的高低温测试下都能不掉帧稳定工作;
性价比高: 轻松降低客户采购成本;
占用率小: CPU占用率小,十六相机同时工作时速度非常流畅;
功 耗 低: 500万像素机型额定功耗1W,待机0.5W,发热量小,图像噪声小且细腻;
智能指示灯: LED指示灯随相机工作状态不同而显示不同颜色,方便相机调试和故障排除。
典型应用:
识别、定位、测量、抓取等机器视觉应用
工作环境:
工作温度:-20℃- 60℃
工作湿度:10%- 90%RH(无凝结)
机械规格:
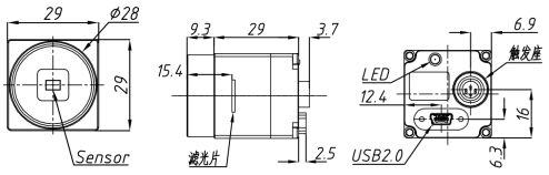
尺寸:29mm*29mm*29mm
材质:铝合金
电气规格:
供电方式:USB供电
同步方式:外触发,软件触发,连续
扩展功能:1个触发输入,1个闪光灯输出
外形尺寸:


光谱响应图:
